- Promo
Cartouche filtre pour filtration d'eau
Filtre Frigo Américain
Filtre Spa Piscine
Filtre Electro Ménager
Sanitaire Douche
Traitement de l'air
Traitement de l'eau
Produit entretien
Plomberie Pompe
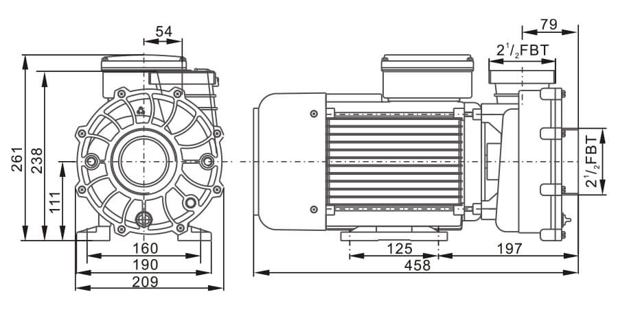
Pompe SPA LX® Whirlpool WP500 II - 0,75 kW et 3,7 kW - 31,2 m³/h et 69 m³/h
Moteur Bi-vitesse
Débit : 31,2 m³/h et 69 m³/h
Longueur : 458 mm
Largeur : 209 mm
Hauteur : 261 mm
Protection thermique : TI.USA
Isolation : F
Protection d’étanchéité : IP55
Plus d'info...En promo
Meilleures Ventes
La pompe SPA LX® Whirlpool WP500 II est conçue pour assurer une circulation optimale de l’eau à travers le système de filtration, garantissant ainsi une eau propre et limpide.
- Moteur Bi-vitesse
- Hmax : 3,0 m à basse vitesse et 14 m à haute vitesse
- Raccord entrée et sortie en 2''1/2FBT et 2''1/2FBT
- Diamètre extérieur pas de vis aspiration/refoulement : 75,18 mm
- Puissance : 1,0 HP / 1,0 CV / 0,75 kW à basse vitesse et 5,0 HP / 5,0 CV / 3,7 kW à haute vitesse
- Débit : 520 L/min (31,2 m³/h) à basse vitesse et 1120 L/min (69 m³/h) à haute vitesse
- Alimentation en monophasé
- Condensateur : 40uF
- Voltage : 220-240 V
- Ampérage : 4,5 A à basse vitesse et 15 A à haute vitesse
- Hertz : 50
- Câblage : précâblée avec une prise AMP
- Poids : 22,2 kg


Température moyenne : de 5 à 50 °C
Température ambiante : ≤ 40 °C
Pression de service maximale : 0.3 MPa

Cette pompe convient pour les spas et baignoires balnéo avec hydromassage.
En fonction de l’orientation du corps de la pompe, vous avez la facilité de l’installer par rapport à l'emplacement de votre spa ou baignoire balnéo.
Corps de pompe ajustable pour une installation flexible :
Conçue pour s’adapter à différentes configurations, cette pompe est livrée avec son corps orienté vers le haut, comme illustré sur la photo. Toutefois, si votre installation nécessite un refoulement latéral vers la droite ou la gauche, vous pouvez facilement ajuster son orientation. Il vous suffit de dévisser les 4 vis situées à l’arrière de la pompe, de repositionner le corps selon vos besoins, puis de les resserrer pour assurer une fixation optimale. Cette flexibilité garantit une intégration parfaite à votre système de spa.
Raccord de tuyauterie inclus – Compatible avec tuyau de 75,18 mm extérieur :
Cette pompe est équipée de sorties filetées d’un diamètre extérieur de 75,18 mm, conçues pour accueillir des raccords unions. Dans la plupart des installations, elle est connectée à un tuyau de 2’’1/2 (soit un diamètre extérieur de 75,18 mm). Si votre installation utilise un tuyau d’un diamètre différent, vous avez deux options : réutiliser vos anciens raccords ou choisir des modèles adaptés dans notre rubrique dédiée aux raccords unions. Cette flexibilité vous permet d’adapter facilement la pompe à votre configuration existante.
Description détaillée de la pompe SPA LX® Whirlpool WP500 II :
Parmi les composants clés de l’installation de votre spa, la pompe joue un rôle primordial pour une utilisation de qualité.
La pompe LX Whirlpool® WP500 II assure la circulation de l’eau dans le filtre pour une eau clair et limpide.
Son faible volume sonore avec une puissance similaire aux autres pompes vous permettra de profiter au maximum des moments de bien être que vous vous accorderez.
Cette pompe n’est pas compatible avec l’eau traitée au sel ni avec l’eau de mer.
® : Toutes les marques restent la propriété de chacun de leurs déposants respectifs et sont utilisées uniquement à titre d'information de compatibilité.
Soyez le premier à poser une question sur ce produit !