Cartouche filtre pour filtration d'eau
Filtre Frigo Américain
Filtre Spa Piscine
Filtre Electro Ménager
Sanitaire Douche
Traitement de l'air
Traitement de l'eau
Produit entretien
Plomberie Pompe
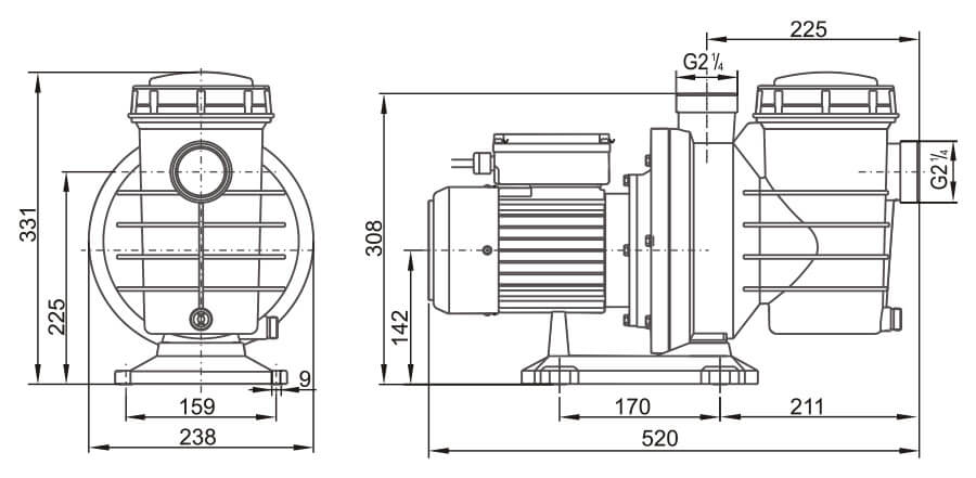
Pompe piscine LX® Whirlpool SWIM150 - 1,5 kW - 28,2 m³/h
Débit : 28,2 m³/h
Longueur : 520 mm
Largeur : 238 mm
Hauteur : 331 mm
Protection thermique : TI.USA
Isolation : F
Protection d’étanchéité : IP55
Taille du filtre : 1,5 L
Auto-amorçante maximum : 2,5 m
Plus d'info...
Inclus 0,50 € d'éco-participation
Derniers produits vus
En promo
Meilleures Ventes
La pompe piscine LX® Whirlpool SWIM150 est conçue pour assurer une circulation optimale de l’eau à travers le système de filtration, garantissant ainsi une eau propre et limpide.
- Hmax : 18,5 m
- Raccord entrée et sortie en G2''1/4 et G2''1/4
- Diamètre nominal pas de vis aspiration/refoulement : 65,71 mm
- Puissance : 2,0 HP / 2,0 CV / 1,5 kW
- Débit : 470 L/min (28,2 m³/h)
- Alimentation en monophasé
- Voltage : 220-240 V
- Ampérage à 7,0 A
- Hertz : 50
- Poids : 13,8 kg


Température moyenne : de 5 à 50 °C
Température ambiante : ≤ 50 °C
Pression de service maximale : 0.3 MPa

Cette pompe auto-amorçante convient pour les piscines.
Raccord de tuyauterie inclus – Compatible avec tuyau de 65,71 mm :
Cette pompe est équipée de sorties filetées d’un diamètre nominal de 65,71 mm, conçues pour accueillir des raccords unions. Dans la plupart des installations, elle est connectée à un tuyau de G2''1/4 (soit un diamètre nominal de 65,71 mm). Si votre installation utilise un tuyau d’un diamètre différent, vous avez deux options : réutiliser vos anciens raccords ou choisir des modèles adaptés dans notre rubrique dédiée aux raccords unions. Cette flexibilité vous permet d’adapter facilement la pompe à votre configuration existante.
Description détaillée de la pompe piscine LX® Whirlpool SWIM150 :
Parmi les composants clés de l’installation de votre piscine, la pompe joue un rôle primordial pour une utilisation de qualité.
La pompe LX® Whirlpool SWIM150 assure la circulation de l’eau dans le filtre pour une eau clair et limpide.
Son faible volume sonore avec une puissance similaire aux autres pompes vous permettra de profiter au maximum des moments de bien être que vous vous accorderez.
Cette pompe n’est pas compatible avec l’eau traitée au sel ni avec l’eau de mer.
® : Toutes les marques restent la propriété de chacun de leurs déposants respectifs et sont utilisées uniquement à titre d'information de compatibilité.
Soyez le premier à poser une question sur ce produit !