Filtre pour 5 cartouches de 40 pouces. Filtre multi-cartouches FHPVC-40x5-A Crystal Filter® en PVC pression.
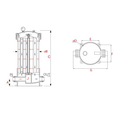
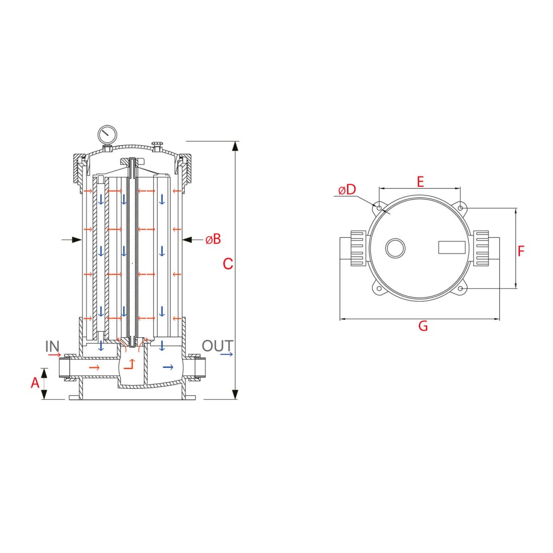
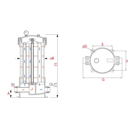
Ce carter de filtre multiposte accepte tout type de cartouches (charbon, spun, bobiné, plissée…) de longueur 40’’, avec embouts DOE (standard double extrémité ouverte), de diamètre intérieur 28 (strict) à 30 mm et de diamètre extérieur 70 mm maximum.
Derniers produits vus
En promo
Meilleures Ventes
Le filtre multi-cartouches Crystal Filter® FHPVC-40x5-A est un système de filtration de haute qualité. Particulièrement utilisé pour le prétraitement d’eau, il peut aussi être utilisé dans de nombreuses autres applications : l’industrie électronique, le traitement des eaux usées, la purification d’eau, l’alimentation et la boisson.
Ce carter de filtre multiposte peut aussi servir d'équipement domestique de purification d’eau.
Tous les éléments principaux du corps de filtre multi-cartouches Crystal Filter® FHPVC-40x5-A sont en PVC pression. L’entrée et la sortie sont sur le même axe, avec des connexions en 63 mm femelle à coller sur union 3 pièces.
La distribution interne de l’eau se fait de bas en haut pour une répartition du flux homogène, et faciliter la purge d’air.
Dans le corps de filtre multi-cartouches Crystal Filter® FHPVC-40x5-A, les cartouches s’insèrent facilement par le haut.
Le filtre multi-cartouches Crystal Filter® FHPVC-40x5-A est résistant à la corrosion : il peut ainsi être utilisé à la place de l’acier inoxydable. Destiné principalement à la filtration d’eau.
Le couvercle (type A) de ce filtre multi-cartouches Crystal Filter® FHPVC-40x5-A se ferme par un écrou en plastique à visser, pour une plus grande facilité d’utilisation par rapport aux corps de filtre multi-cartouches utilisant un couvercle de type B2.
Attention, la clé de serrage/desserrage est vendue séparément : Voir la clé de serrage référence ALP007880.
Ce filtre multi-cartouches existe également avec un couvercle de type B2 sous la référence Crystal Filter® FHPVC-40x5-B2. Le filtre multi-cartouches Crystal Filter® FHPVC-40x5-B2 se ferme par des boulons basculants, avec l’avantage d’une meilleure résistance à la pression par rapport aux corps de filtre multi-cartouches utilisant un couvercle de type A.
- Ref du corps de filtre multi-cartouches Crystal Filter® : FHPVC-40x5-A
- Nombre d’emplacements cartouches : 5
- Matériau du carter : PVC pression
- Type fermeture : Écrou plastique (Type A)
- Dimensions des raccords Entrée / Sortie : 63 mm femelle
- Diamètre nominal : 50 mm
- Pression de fonctionnement max à 25°C : 4 bars
- Pression de fonctionnement recommandée : 3 bars
- Perte de charge maximum : 1.4 bar
- Température de fonctionnement : 5°C à 40°C
- Deux piquages en 1/4'' sur le couvercle (2 purges fournies) : Utilisables pour tout accessoire 1/4'' (Manomètre par exemple)
- Volume du filtre : 38.2 litres
- Joint torique de fermeture : Silicone
- Joint des raccords : EPDM

Conforme à la norme CE P.E.D. 97/23/CE directive 2014/68/EU relative aux équipements sous pression.
Attention : Le filtre multi-cartouches Crystal Filter® FHPVC-40x5-A doit être utilisé à une pression inférieure à 4 bars (0.4 Mpa)

A = 75 mm
B = 225 mm
C = 1215 mm
D = 10 mm
E = 187.5 mm
F = 186 mm
G = 473 mm
Le corps de filtre multi-cartouches Crystal Filter® FHPVC-40x5-A accepte les cartouches qui remplissent les conditions suivantes :
- Longueur : 40''
- Embouts : DOE (standard Double Extrémité Ouverte)
- Diamètre intérieur : 28 mm (strict) à 30 mm
- Diamètre extérieur : 70 mm
- Tous types : charbon, spun, bobiné, plissée…
Attention à vérifier la correspondance des cartouches que vous souhaitez utiliser avec les caractéristiques indiquées : Les cartouches ayant un diamètre intérieur inférieur à 28 mm ne sont pas compatibles avec les filtres multi-cartouches FHPVC Crystal Filter®.
A LIRE AVANT INSTALLATION :
Ce carter de filtre multiposte est destiné uniquement à une utilisation avec de l'eau froide. (5-40°C)
Ne pas utiliser si ce filtre multi-cartouches présente des dommages ou des fissures.
Ce corps de filtre multi-cartouches supporte une pression maximale de 4 bars. Il doit être utilisé à une pression inférieure à celle-ci.
Si votre pression d'eau risque, à tout moment, de dépasser 3,5 bars, installer un régulateur de pression. Le régulateur de pression doit être installé avant le filtre multi-cartouches. Cette action protège contre la pression d'eau dépassant la pression maximale. Il est recommandé que le régulateur de pression soit réglé à 3 bars ou moins.
PRUDENCE
Le joint torique en assure l'étanchéité entre la tête et le carter.
Il est important que le joint torique soit correctement inséré dans la rainure du réservoir prévue à cet effet pour éviter tout risque de fuite. Il est préconisé de lubrifier régulièrement le joint à l'aide d'un lubrifiant adéquat.
Si vous souhaitez utiliser ce carter de filtre multiposte avec un fluide autre que de l'eau, veuillez prendre contact avec votre revendeur.
PROTÉGER LE CARTER PORTE FILTRE
Du gel, de la lumière directe du soleil ou d'autres sources de rayons UV. L'exposition peut provoquer une défaillance du carter porte filtre.
Une utilisation du carter porte filtre à une pression supérieure à celle recommandée peut entraîner des blessures ou des dommages matériels.
MAINTENANCE DU FILTRE MULTI-CARTOUCHES :
Coupez l'alimentation en eau et relâchez la pression avant d'ouvrir le carter multi-cartouches.
Serrer l’écrou plastique à la main. En cas d’utilisation de la clé, ne pas forcer sous peine d’endommager l’écrou et/ou le carter.
Soyez le premier à poser une question sur ce produit !