Embout mixte femelle 32/25 mm ¾'' PVC pression taraudé.
PVC pression de qualité alimentaire.
Fabriqué en Europe.
Plus d'info...
Derniers produits vus
En promo
Nouveaux produits
Meilleures Ventes
Pression nominale : 16 bars (pression maximale à 20°C - eau).
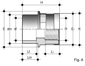
Dimensions de l'embout d'adaptation avec bague de renfort :
Mâle à coller : 32 mm
Femelle réduit à coller : 25 mm
Fileté pas de gaz cylindrique 3/4''

dm x df x R : 32 x 25 x 3/4''
H : 50
Lm : 22
Lf : 19
L1 : 16.3
E : 40
E1 : 36
K : 35
- Conduites de liquides industriels
- Canalisations pour traitement d'eau
- Canalisations pour le transport de produits chimiques froids
- Canalisations de piscines
- Conduites de liquides alimentaires
- Dans toutes les applications ou les contraintes de fonctionnement restant dans les limites d'utilisation du PVC
- Possibilités d'applications universelles
- Très bonne résistance chimique, résistance à la corrosion
- Faible perte de charge grâce aux surfaces lisses
- Auto-extinguible
- Aucun risque physiologique, en contact avec les aliments et l'eau potable
- Recyclable
PVC de qualité alimentaire apte à l'utilisation avec l'eau potable et les aliments, suivant les règlements en vigueur.
Marques de qualité : IIP n.122 (Italie), NF n.04 (France), K5034 ND10 (Pays-Bas).
Classe 1, classement feu marine suivant OMI A.753(18), MSC 61(67), la convention COLAS (1974).
Normes ISO 5656-2 (août 1996 ). PV N°7070102-DMAT/1.
Les données présentes sont fournies de bonne foi et ne peuvent engager de responsabilités concernant une éventuelle erreur ou omission.
Soyez le premier à poser une question sur ce produit !